MULTIPLEXER, DECODER, FLIP-FLOP, dan COUNTER
![]() |
| MULTIPLEXER, DECODER, FLIP-FLOP, dan COUNTER |
Dalam teknik komputer digital ada beberapa rangkaian logik yang harus kita mengerti sebelumnya, karena rangkaian ini adalah rangkaian utama yang membangun fungsi dari mikrokomputer itu sendiri. Hal-hal yang akan dibahas di sini hanyalah hal-hal yang nantinya sangat erat hubungannya dengan teknik mikrokomputer. Rangkaian atau fungsi yang dimaksud adalah :
Multiplexer, Decoder, Flip-Flop, Shift Register, dan Counter.
- Multiplexer
Multiplexer adalah sebuah komponen elektronika yang berfungsi menghasilkan output dari beberapa pilihan data yang dimasukkan. Multiplexer bisa disebut juga sebagai alat selector. Data input dalam multiplexer (D) bergantung kepada jumlah data selector(S) yang digunakan untuk menghasilkan output.
Berikut adalah persamaan multiplexer.
![]() |
| Rangkaian logika multiplexer 4 x 1 |
Salah satu dari input yang ada ( X0 …….. X3 ) dapat sampai ke output tergantung dari keadaan pengontrol S1 dan S2.
Dari kombinasi pengontrol S, maka input variabel X2 dihantarkan menuju Output Y.
- Demultiplexer
Berlawanan dengan multiplexer, Demultiplexer adalah sebuah komponen elektronika yang hanya menerima 1 input. Jumlah output yang dihasilkan tergantung dari banyaknya saluran data pengendali (S) atau selector line. Untuk itu, diperoleh persamaan berikut.
Dengan m merupakan banyaknya data selector yang digunakan.
![]() |
| Rangkaian logika demultiplexer 4 output |
- Decoder
Decoder adalah rangkaian yang berfungsi untuk mengembalikan input menjadi bentuk data dalam format awalnya. Decoder akan menerima banyak input untuk mengubahnya menjadi 1 output, sementara Encoder akan menerima 1 input dan mengubahnya menjadi banyak output.
![]() |
| Proses encoding dan decoding dalam komputer |
Hasil penyandian decoder melalui peranti output, seperti monitor, printer, dan alat peraga seven segment display. Agar dapat dibaca oleh manusia, nilai BCD harus diubah dengan proses decoding. Terdapat berbagai macam metode yang digunakan dalam melakukan decoding, beberapa di antaranya yang sering digunakan adalah biner-to-BCD, BCD-to-desimal, dan BCD-to-seven segment display.
![]() |
| Rangkaian logika biner ke BCD |
- Seven Segment Display
Display digital yang sering kita lihat adalah LED(Light Emitting Diode) yang memiliki 7 segmen. Ketujuh segmen tersebut dapat menampilkan angka 0 sampai 9 dengan meyalakan dan mematikan beberapa segmen LED sebagai berikut.
![]() |
| Rangkaian logika decoder seven segment display |
- Flip-Flop
Flip-flop adalah sirkuit digital terkecil yang berfungsi sebagai rangkaian memori. Flip-flop terdiri dari rangkaian gerbang logika dengan 2 kondisi yang stabil, outputnya akan bersifat tetap hingga ada sinyal yang memicu perubahan nilai output tersebut. Terdapat berbagai macam jenis flip-flop, beberapa di antaranya adala SR-FF, JK-FF, D-FF, T-FF, dan JKMS-FF.
Set-Reset Flip-Flop (SR-FF)
Jenis flip-flop ini adalah flip-flop yang paling sederhana. SR-FF memiliki kekurangan, yaitu adanya keadaan saat rangkaian di-set dan di-reset secara bersamaan, sehingga output yang dihasilkan tidak stabil.
![]() |
| Tabel kondisi flip-flop SR |
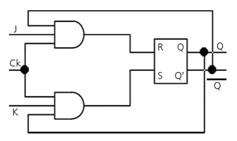
JK Flip-Flop (JK-FF)
JK-FF merupakan perbaikan dari sistem SR-FF dengan menambahkan saluran clock, sehingga kemungkinan timbulnya output terlarang dapat dihindari. JK-FF adalah rangkaian dasar SR-FF dengan 2 gerbang AND pada saluran input R dan S yang dilengkapi dengan clock.
![]() |
| Tabel kondisi flip-flop JK |
Delay Flip-Flop (D-FF)
D-FF merupakan perbaikan dari sistem SR-FF dengan menambahkan saluran clock dan sebuah gerbang not pada terminal input R pada SR-FF atau terminal K pada JK-FF, sehingga kemungkinan timbulnya output terlarang dapat dihindari.
Register
Register adalah komponen dalam rangkaian digital yang terdiri atas beberapa elemen-elemen memori. Register berfungsi untuk menyimpan nilai data yang dapat dibaca, digeser posisinya, bahkan dihapus. Register dapat dibentuk dari rangkaian sekuensial flip-flop. Register yang terdiri atas n flip-flop mampu menyimpan data sebanyak n bit.
Proses penyimpanan data pada register dilakukan dengan cara menggeser bit data output dari setiap flip-flop ke flip-flop berikutnya. Register dibagi menjadi beberapa jenis. Apabila dilihat dari metode transmisinya, register dapat dibagi menjagi empat tipe, yaitu Serial In Serial Out (SISO), Serial In Paralel Out (SIPO), Paralel In Serial Out (PISO), dan Paralel In Paralel Out (PIPO).
Serial In Serial Out (SISO)
Pada rangkaian SISO, setiap data yang masuk harus melewati flip-flop awal, baru kemudian digeser melewati semua flip-flop sesuai sinyal clock. Rangkaian register SISO biasanya terdiri atas rangkaian beberapa D-FF.
Serial In Paralel Out (SIPO)
Register ini menerima sebuah bit data input pada setiap pulsa clock. Bit data tersebut kemudian digeser setiap terjadi pulsa clock hingga register menjadi penuh sehingga output dikeluarkan secara bersamaan.
Paralel In Serial Out (PISO)
Rangkaian ini akan memasukkan data bit secara serempak menuju flip-flop. Setelah itu, data bit tersebut akan dikeluarkan secara seri melalui sebuah saluran pada ujung rangkaian.
Paralel In Paralel Out (PIPO)
Data bit akan dimasukkan secara bersamaan menuju terminal D pada setiap flip-flop yang terhubung. Jika terjadi pulsa clock, bit data akan digeser menuju flip-flop berikutnya. Namun jika pulsa clock tidak terjadi,maka hasil output akan sama dengan input.
- Counter
Counter adalah salah satu implementasi dari rangkaian flip-flop yang sering digunakan. Semua tipe flip-flop yang dilengkapi saluran Preset, Clock, atau Clear dapat digunakan sebagai komponen rangkaian counter. Contoh aplikasi rangkaian counter adalah jam digital dan stopwatch. Dalam dunia digital, counter dapat dibagi menjadi dua jenis, yaitu synchronous counter dan asynchronous counter.
Asynchronous Counter
Pencacah tidak sinkron adalah rangkaian dengan output dari flip-flop sebelumnya akan menjadi input saluran clock pada flip-flop berikutnya. Kondisi output dalam rangkaian tidak berubah secara bersamaan, clock pulsa hanya terjadi pada FF ke-0. Perhatikan gambar berikut agar lebih jelas.


























Posting Komentar untuk "MULTIPLEXER, DECODER, FLIP-FLOP, dan COUNTER"